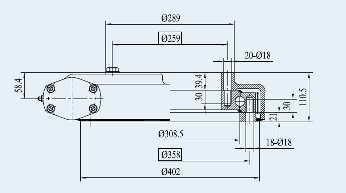
重载旋转台JDPE402

发布日期:2015-12-22

1604241623(1)

image


image

image

分享到: