关于我们
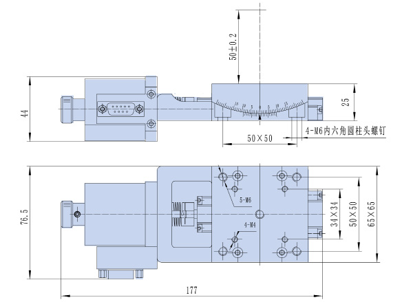
电动角位台:ZJ110-15
发布日期:2015-12-10

□型号特性:
■标配步进电机和RS232接口,ZK系列运动控制器可对其实现自动化控制
■旋转轴系采用多道工艺精密加工而成,配合精度高,承载大,寿命长
■采用精密研配的蜗轮蜗杆结构,运动舒适,可以任意正向和反向旋转且空回极小
■设计精巧的消空回结构,可调整长期使用造成的空回间隙
■特殊的结构设计保证了角位台台面极低的偏摆和倾斜,使运动更加平稳
■台面外围的刻度圈是激光刻划标尺,标尺可相对台面转动,方便初始定位和读数
■步进电机和蜗杆通过进口高品质弹性联轴节连接,传动同步,消偏性能好,大大降低了偏心扰动且噪音小
■电动角位台可平放使用也可立式使用,可与其他种类台子组成多维电动调整台
■电动角位台成对设计,可叠加,可单独使用,两种旋转半径精心设计,叠加后可绕一共点两维正交旋转
■具有限位功能,初始零位功能 ,换装伺服电机,加装旋转编码器,接受产品的改制和量身定制


分享到:







