关于我们
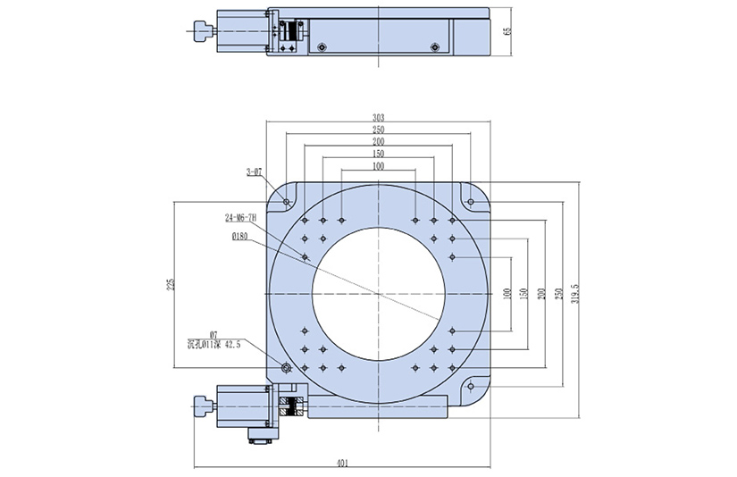
电动旋转台(蜗轮蜗杆): ZX110-300
发布日期:2015-12-10

型号特性:
标配步进电机和RS232接口,ZK系列运动控制器可对其实现自动化控制
旋转轴系采用多道工艺加工而成,配合精度高,承载大,寿命长
采用研配的蜗轮蜗杆结构,运动舒适,可以任意正向和反向旋转且
设计精巧的消空回结构,空回小,并可调整长期使用造成的空回间隙
特殊的结构设计保证了旋转台面低的端跳和偏心,使旋转运动更加平稳
旋台的中心通孔与旋转中心有严格的同轴度要求,旋台的中心孔径有严格的配合公差限制,方便客户做定位
台面外围的刻度圈是激光刻划标尺,标尺可相对台面转动,方便初始定位和读数
步进电机和蜗杆通过进口高品质弹性联轴节连接,传动同步,消偏性能好,大大降低了偏心扰动且噪音小
电动旋转台可平放使用也可立式使用,可与其他种类台子组成多维电动调整台
可增加限位功能,增加初始零位 ,换装伺服电机,加装旋转编码器,接受产品的改制和量身定制


分享到:








