北京杰德光科科技有限公司
手机号:15210459983
座机:010-59413318
微信号:15210459983
QQ号:1271978757
联系邮箱:1271978757@qq.com
公司地址:北京市通州区永乐店镇柴厂屯村东(联航大厦)1-1595
发布日期:2015-12-10
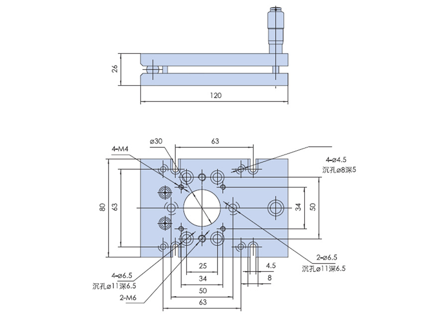
特点:
提供单轴倾斜调整
测微头驱动,高品质碟形弹簧复位,稳定性特佳
中心直径30mm通孔可通光
上下部均有标准孔距的连接孔,方便与其它系列产品组合
手动倾斜台(双轴):SQ230-5
手动倾斜台(双轴):SQ220-5L
手动倾斜台(双轴):SQ210-5
手动倾斜台(单轴):SQ110-3
30mm台面(6mm行程)
无磁转台
光电跟踪转台
单轴转台