关于我们
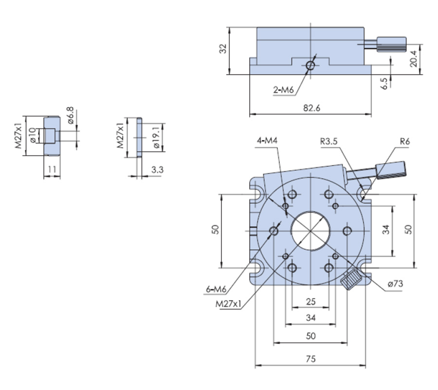
手动旋转台:SX120-73
发布日期:2015-12-10

特点:
台面可以360°旋转粗调
可以进行±3°的微细调整
微调采用细牙螺杆驱动,弹簧复位,分辨率高,无空回
轴系设计,轴系间隙可调,稳定性好
圆周360°刻划,方便读数
中心孔径,方便通光或安装连接其它产品
上下部均有标准孔距的连接孔,方便与其它位移台连接


分享到:
发布日期:2015-12-10

特点:
台面可以360°旋转粗调
可以进行±3°的微细调整
微调采用细牙螺杆驱动,弹簧复位,分辨率高,无空回
轴系设计,轴系间隙可调,稳定性好
圆周360°刻划,方便读数
中心孔径,方便通光或安装连接其它产品
上下部均有标准孔距的连接孔,方便与其它位移台连接

