关于我们
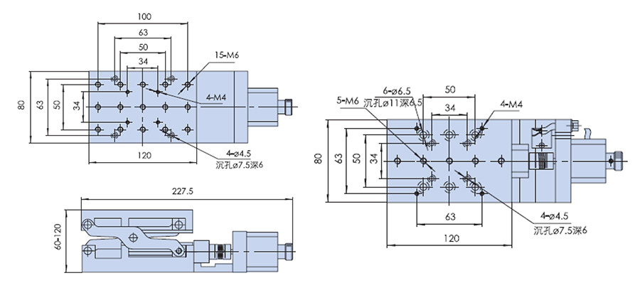
电动升降台(剪式): ZS10-60
发布日期:2015-12-10

型号特性:
标配步进电机和RS232接口,ZK系列运动控制器可对其实现自动化控制
升降台系采用剪型升降支撑,双导轨五轴过定位机构,保证运动平稳,承载大,寿命长
采用研配丝杠驱动,运动舒适,可以任意升降且空回小
步进电机和丝杆通过进口高品质弹性联轴节连接,传动同步,消偏性能好,大大降低了偏心扰动且噪音小
电动升降台平放使用,可与其他种类台子组成多维电动调整台
具有限位功能,初始零位功能 ,换装伺服电机,加装旋转编码器,接受产品的改制和量身定制


分享到:








