关于我们
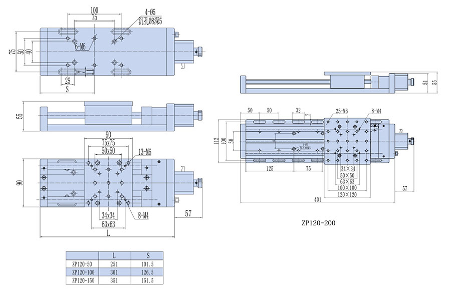
电动平移台(圆导轨):ZP120-(50-150)
发布日期:2015-12-10
型号特性:
标配步进电机和RS232接口,我司的ZK系列运动控制器可对其实现自动化控制
进口滚珠螺杆驱动,重复定位精度和定位精度好,轴向间隙小,寿命长
防松和防轴窜结构,有效防止螺杆松动,轴向窜动,有效保证重复定位精度和定位精度,特别适合高速往复使用
导轨采用线性轴承导轨(两端支撑,中间悬空),承载较小,适合单轴科学试验使用,垂直使用效果好
合理的导轨调整固定方式大大提高了导轨的安装精度,有效保证运动的直线度和平行度,运动舒适度
步进电机和滚珠螺杆通过进口高品质弹性联轴节连接,消偏性能好,大大降低了偏心扰动且噪音小
两端装有零位和限位开关,方便准确定位和保护产品,配有手轮,方便调试
底座有标准孔距的螺纹孔和通孔,方便安装固定
可换装伺服电机,光栅尺做闭环控制,实现高速运动



组合应用(二维)

组合应用(三维)
分享到:








